型 號:PNW-100S,PSW-100S,PW-100S
規 格:100kg
公司名稱:日本FUJI
保質周期:12
價 格(≤ 1) ¥電議 /臺
優惠價格(≥ 5):電議

![]()
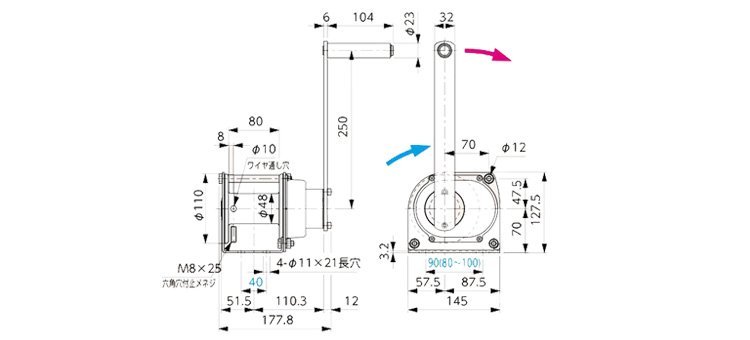
◆小型手搖絞盤型號:PNW 100S,PSW 100S,PW 100S;
◆小型手搖絞盤為了滿足客戶想要的小型民眾的要求,容量為100kg,卷量限定為20米,機械剎車機構也盡可能的小型化.
◆小型手搖絞盤用于向懸掛幕和小型裝置使用非常方便.
![]()

|
額定負荷 第六層鼓 |
100kg |
|
手動力 |
112N |
|
方向盤1轉的卷長度 |
166.5㎜ |
|
使用繩索直徑 |
φ5㎜ |
|
?繩索收容能力 |
20m |
|
重量 |
5kg |
|
總減速比 |
1:1 |
![]()
小型手搖絞盤為日本原裝進口產品,保質1年,我公司承諾凡是客戶在我公司定購的進口類產品均為原裝正品,絕不存在拆件貨,換件貨,假冒品牌產品,凡客戶從我公司訂購該品牌產品如收到貨物時發現有拆件貨,換件貨,假冒、假貨仿貨均以100倍金額賠償。